产品中心

您当前的位置:首页 > 产品中心 > 测力传感器 > 微型压向测力传感器 > GR708 微型压向测力传...

GR708 微型压向测力传感器

型号:GR708
特点及用途:外径15.9,高度16.8,精度0.5%,稳定性强。动态响应快,主要应用于小空间,小体积中的大力值测量,冲压设备等

咨询电话:

021-6995 0822

产品介绍

产品特征:

    微型大量程测力精度0.5%

    坚固耐用、高速动态响应

    平面安装,平面受力

    多用于小空间,小体积中的大力值测量,冲压设备等。


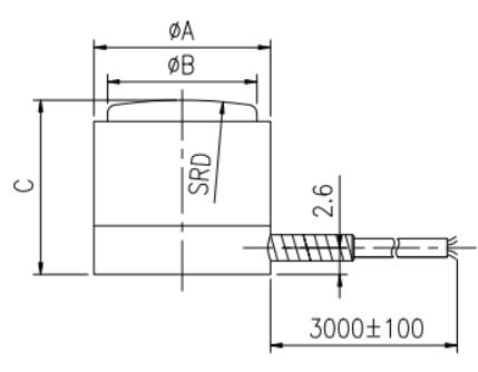
量程及尺寸图:

量程

ΦA

ΦB

H

SR

0~10~25KN

13.4

15.9

16.8

101

0~50~75KN

20.4

22.4

22.4

101

0~100~150KN

28.9

31.8

28.9

127

                                  
                                             

  技术参数

量程

Capacity

10, 20, 25, 50, 75, 100, 150KN

材质

Material

不锈钢

输出灵敏度

Rated output

1.5±10%  mV/V

输出电阻

Output Impedance

350±3Ω

非线性

Non-linearity

0.5 % F.S.

绝缘电阻

 Insulation

>5000MΩ/10VDC

滞后

Hysteresis

 0.2 % F.S.

使用电压 

Recommended Excitation

5~10V

重复性

Repeatability

 0.2 % F.S.

最大工作电压 

Excitation max

12V

蠕变(30分钟)

Creep(30min)

0.2 % F.S.

温度补偿范围

Compensated Temp Range

-10~60

温度灵敏度漂移

Temp Effect On Output

0.05 % F.S./ 10

工作温度范围

Operating Temp Range

-20~80

零点温度漂移

Temp Effect On Zero

0.05 % F.S./ 10

安全负载

Safe Load

120%

防护等级

Protection Class

IP 65

极限负载

 Ultimate Load Limit

150%

输入阻抗

Input Impedance

350±5Ω

电缆长度

Cable Length

2 x 4000m

电缆线连接方式

Wire Connection

Ex +: (Red) ;   Ex -: (Black) ;  Sig +: 绿 (Green );  Sig -: (White);      
























请输入搜索关键字

确定