产品中心

您当前的位置:首页 > 产品中心 > 测力传感器 > 环形中空力传感器 > GR503 环形中空力传感...

GR503 环形中空力传感器

型号:GR503
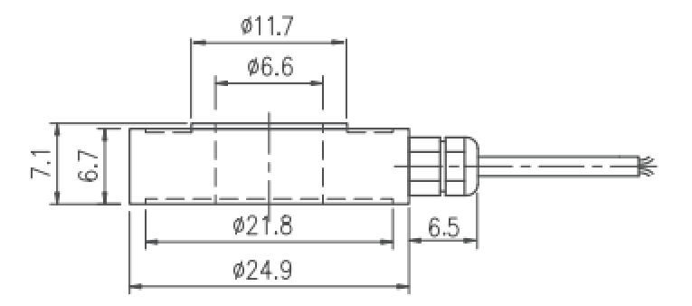
特点及用途:中空6.6,外径24.9,高度7.1,精度0.5%,稳定性强,高速动态响应,通孔式螺栓压紧力传感器,环形中空测力。主要应用于螺钉、杆件的张力和压力、测力器感应头、医疗设备等多场合的测力。

咨询电话:

021-6995 0822

产品介绍

产品特征:

    中空6.6,外径25.9,高度7.1,精度0.5%

    动态响应快

    通孔式螺栓压紧力传感器

    主要应用于螺钉、杆件的张力和压力、测力器感应头、医疗机械等多场合的测力


量程及尺寸图:

GR503尺寸图
    量程:50、100、200、500、1000N    
选型说明:若量程选用0-200N,则传感器型号为GR503-200N,其他量程对应的型号,以此类推

  技术参数

量程

Capacity

50,100,200,500,1000N,

材质

Material

不锈钢

输出灵敏度

Rated output

2.0±20%  mV/V

输出电阻

Output Impedance

350±3Ω

非线性

Non-linearity

0.5 % F.S.

绝缘电阻

 Insulation

>5000MΩ/10VDC

滞后

Hysteresis

 0.2 % F.S.

使用电压 

Recommended Excitation

5~10V

重复性

Repeatability

 0.2 % F.S.

最大工作电压 

Excitation max

12V

蠕变(30分钟)

Creep(30min)

0.1 % F.S.

温度补偿范围

Compensated Temp Range

-10~60

温度灵敏度漂移

Temp Effect On Output

0.05 % F.S./ 10

工作温度范围

Operating Temp Range

-20~80

零点温度漂移

Temp Effect On Zero

0.05 % F.S./ 10

安全负载

Safe Load

120%

防护等级

Protection Class

IP 66

极限负载

 Ultimate Load Limit

150%

输入阻抗

Input Impedance

350±5Ω

电缆长度

Cable Length

3 x 4000mm

电缆线连接方式

Wire Connection

Ex +: (Red) ;   Ex -: (Black) ;  Sig +: 绿 (Green );  Sig -: (White);      
























请输入搜索关键字

确定