产品中心

您当前的位置:首页 > 产品中心 > 测力传感器 > 三轴力传感器 > GR302 三轴力传感器

GR302 三轴力传感器

型号:GR302
特点及用途:长度120,宽度120,高度30,坚固耐用,抗偏载能力强,相互干扰小,广泛应用于各种工业测力场合,如机械手臂精密控制、抛光、研磨等行业。

咨询电话:

021-6995 0822

产品介绍

产品特征:

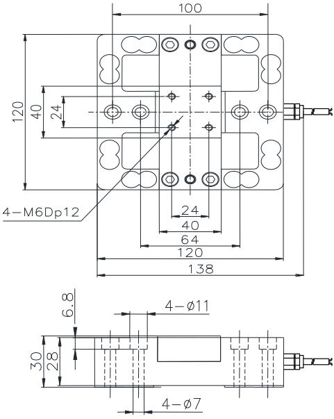
    长度120,宽度120,高度30

    坚固耐用,抗偏载能力强

    精度高,相互干扰小

    广泛应用于各种工业测力场合,如如机械手臂精密控制、抛光、研磨等行业。


量程及尺寸图:

           GR302尺寸图

          
                量程:  X: 50, 100, 200, 500, 1000, 2000, 5000N;  

                          Y: 50, 100, 200, 500, 1000, 2000, 5000N;  

                          Z: 50, 100, 200, 500, 1000, 2000, 5000N

                          三轴互扰误差 0.3 %

                                                                                 

  技术参数

量程

Capacity

50, 100, 200, 500, 1000, 2000, 5000N

材质

Material

铝合金/不锈钢

输出灵敏度

Rated output

1.0±10%  mV/V

输出电阻

Output Impedance

700±10Ω

非线性

Non-linearity

0.1 % F.S.

绝缘电阻

 Insulation

>5000MΩ/10VDC

滞后

Hysteresis

 0.1 % F.S.

使用电压 

Recommended Excitation

5~10V

重复性

Repeatability

 0.1 % F.S.

最大工作电压 

Excitation max

12V

蠕变(30分钟)

Creep(30min)

0.1 % F.S.

温度补偿范围

Compensated Temp Range

-10~60

温度灵敏度漂移

Temp Effect On Output

0.1 % F.S./ 10

工作温度范围

Operating Temp Range

-20~80

零点温度漂移

Temp Effect On Zero

0.1 % F.S./ 10

安全负载

Safe Load

120%

防护等级

Protection Class

IP 66

极限负载

 Ultimate Load Limit

150%

输入阻抗

Input Impedance

785±20Ω

电缆长度

Cable Length

∅5 x 4000mm

电缆线连接方式

Wire Connection

     
























请输入搜索关键字

确定